南京贝特空调设备有限公司
咨询电话:15150621250
邮箱:894703597@qq.com
地址:南京市六台经济开发区龙瑞路9号
Product Description
产品详情
BTCY常压式定压补水排气装置基本的功能是定压排气和补水, 智能控制系统使水泵和各类电磁阀有机配合起来, 在各类传感器的检测下, 实现定压和自动补水。此外,BTCY定压补水排气机组具有明显排气功能, 其根据物理的原理, 通过将系统的压力释放的常压罐中, 达到排气的功能,有效的解决循环水中的气体问题。
性能特点
1、结构紧凑、占地少:该机组采用分体式装配,将水泵机组和罐体巧妙分开,减少占地面积。
2、控制:系统采用高度集成控制柜,能够准确显示罐体水位和系统压力变化。
3、气密性好:罐体内部采用食品级丁基胶囊,的自动排气装置能够快速排掉系统中的气体,使得气水接触少,保证水质不受污染。
4、操作简便:该机组采用中文显示操作界面,操作简单明了,用户可根据实际情况调整参数,达到理想的效果。
技术参数
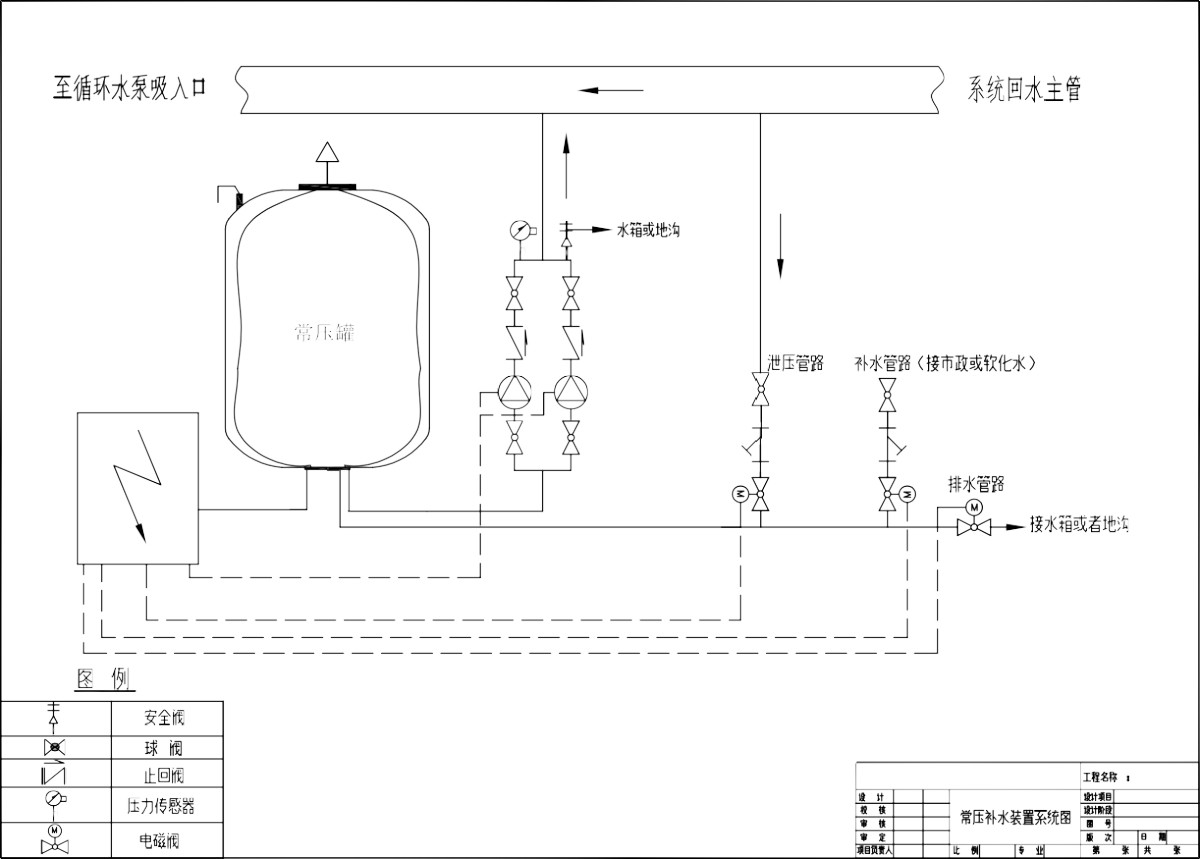
功能结构剖析
BTCY型定压装置由常压隔膜式基本罐、控制单元、连接软管组成。隔膜基本罐由罐体、丁基胶囊、自动排气装置等组成。
控制单元由集成控制柜、压力传感器、液位传感器、水泵、电磁阀等组成。可根据用户需求增加真空脱气单元(选配)。

工作原理
系统采用数字化集成控制,由压力传感装置,液位控制装置,传递系统压力和罐体水位数字信号控制各单元的运作。
定压:定压泵和泄压阀控制压力保持变动范围在±0.2bar之间。通过两个分离的膨胀管线从常压流入或流出膨胀水。
排气:高压循环水在排气过程中进入常压罐进行减压后气水分离,析出的气体经排气阀排入大气。
补水:排出气体和系统管道滴漏等原因所损失的水可以被控制单元实时监控, 一旦低于设定值,则自动补水,隔膜罐中水量的多少可由水位传感器来确定。
排水:系统水因温度升高导致压力超高流入基本罐,当基本罐水量超过预设定值时,自动排出过多的水量,以保证罐体不受压。

常压式定压补水排气装置选型参数表

常压式定压补水排气装置尺寸表

联系我们
相关产品
联系我们
*我们尊重您的保密性,所有信息都受到保护。